欢迎访问成都斯诺堡轴承有限公司官网

您的位置: 产品中心 > VRC轴承

VRC轴承
更多
联系我们
  • 服务热线:028-86698166
    手机:13541301755
    邮箱:2587854333@qq.com

    地址:成都市金牛区长青路88号金美国际12层3号

VRC轴承

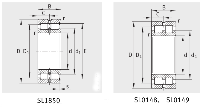
双列满装圆柱滚子轴承

文字: [大] [中] [小] 手机页面二维码 发布时间:2026-03-07    

双列满装圆柱滚子轴承无保持架、滚子排布更密,径向承载能力超大、刚性高、抗冲击性强,适合重载、低速、冲击大的工况,常用于冶金轧机、矿山机械、重型减速机、工程机械等重载设备,但转速较低,安装时需注重润滑与对中,以保证稳定运行和使用寿命。

返回上一步
打印此页
028-86698166 13541301755

添加微信