欢迎访问成都斯诺堡轴承有限公司官网

您的位置: 产品中心 > VRC轴承

VRC轴承
更多
联系我们
  • 服务热线:028-86698166
    手机:13541301755
    邮箱:2587854333@qq.com

    地址:成都市金牛区长青路88号金美国际12层3号

VRC轴承

英制圆锥滚子轴承

文字: [大] [中] [小] 手机页面二维码 发布时间:2026-03-07    

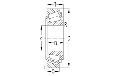
英制圆锥滚子轴承采用英制尺寸标准,型号、尺寸、公差均以英寸为单位,多为分离式结构,由内圈、外圈、圆锥滚子和保持架组成,可承受较大径向与单向轴向联合载荷,刚性好、承载能力强、耐冲击。其型号体系与公制不同,常见于美系、英系工程机械、汽车、农机、矿山设备等传统英制配套场景,安装时需合理调整轴向游隙,保证运转精度与使用寿命,是重载、恶劣工况下常用的英制标准轴承。

返回上一步
打印此页
028-86698166 13541301755

添加微信